- Get link
- X
- Other Apps
- Get link
- X
- Other Apps

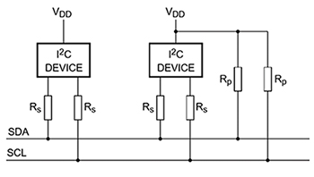
Solving Common I C Bus Issues Digikey

Solving Common I C Bus Issues Digikey

I2c Pull Up Resistor Location Split From Weird Signals On


I2c Communication With Honeywell Digital Output Pressure Sensors
Tmp102 Inquire Fast Mode And High Speed Hs Mode Setting

I2c Learn Sparkfun Com
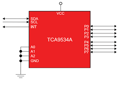
Pcal6416a Nxp

Nxp Semi

Pca9517 Level Translating I2c Bus Repeater Nxp Semiconductors

Resolved Pulling Up Resistors With Txs0102 Interface

Solving Common I C Bus Issues Digikey

Schematics Archives Funkey Project
Hardware Design Guidelines For S32k1xx Microcontrollers

Not Getting Proper Acknowledgement And Stop Condition On I2c

Better Spi Bus Design Hackaday
- Get link
- X
- Other Apps
Comments
Post a Comment